粉粒体機械の相談をする

パワフルサイクロンローダー

powerfulcycloneloader

微粉末の空気輸送に最適

ブロワーとフィルターを内蔵した、シンプルな吸引輸送機

  • 吸引輸送機
  • 真上への輸送に最適
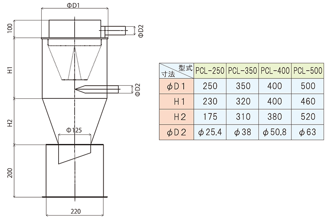
製品名 パワフルサイクロンローダー POWERFUL CYCLONE LOADER
低濃度高速輸送機(空気輸送機)

正面

タンク部分

ブロワー部分

フィルター部分

吸引口

排出口

搬送管

製品概要

ブロワーの吸引力で粉体を輸送する、シンプルな空気輸送機。
パワフルサイクロンローダー(PCL)は、ブロワーとフィルターを内蔵した補給タンクからなる、シンプルな吸引輸送機です。ブロワー動作によってタンクおよび搬送管内の空気を吸引し、この空気の流れにより粉体を輸送します。掃除機に例えると、ブロワーがサイクロンの役割を果たします。エアレスホッパーローダーでは対応できない微粉末や、真上への輸送に向いています。

特長

コンパクト

特殊フィルタークロスの使用によりタンクがコンパクトで設置スペースを節約でき、大容量輸送にはフィルタークロスの本数を増やした大型タイプにも対応します。

シンプル

機構がシンプルなため洗浄が容易でメンテナンスもしやすく、操作も簡単で誰でも使用できます。

設置が容易

搬送管が1本のチューブ(P.V.C.)のため設置が容易で、輸送経路も比較的自由に設置できます。

捕集効率が高い

特殊フィルタークロスの使用により微粉末の捕捉が可能で、微粉末の空気輸送に適した(中・短距離向き)仕様となっています。

フィルターの目詰まりが少ない

タンク頭部のパイプから一定間隔で高圧空気を瞬間噴射してフィルター表面の粉塵を払い落とす、パルスジェット逆洗方式による完璧な洗浄機構で、フィルターの目詰まりが少なく安定した輸送能力を維持できます。

特殊構造で完璧な洗浄

パルスジェット方式による特殊構造でフィルターを自動洗浄し、従来の空気輸送機で課題となっていた「フィルター詰まりによる能力低下」を解決します。

用途例

食品業界

  • 米粉
  • 精麦
  • 茶粉砕品
  • 小麦粉
  • 圧ベン麦
  • グラニュー糖
  • ネギチップ
  • 粉乳
  • コーヒーゼリー
  • 生胡麻
  • 胡麻(油分の多いもの、少ないもの)
  • 杏仁の元
  • 顆粒クック
  • コーンスープ
  • 七味唐辛子
  • FD品
  • 重曹、脂質、乳化剤の混合物
  • コーヒー粉砕品
  • 卵の殻

化学・工業製品

  • トナー
  • ガラス微粒粉
  • 洗剤
  • 活性炭(木炭)
  • 活性炭(石炭)
  • 珊瑚
  • 入浴剤

その他

  • 短繊維

カスタマイズできる箇所

掲載されていなくてもカスタマイズできる場合があります。お気軽にご相談ください。

吸込口の形状
排出方式(間欠式/連続式)
排出口の形状
固定式・移動式

寸法表

仕様

排出方式

輸送粉体、用途に応じて2種類の方式があります。

ダンパーボックス式(バッチ輸送)

①ブロワー動作により、1バッチ分の粉体がタンクまで搬送される
②ブロワーを停止
③タンク下部のダンパーボックスから粉体を自然落下で排出
④この動作を繰り返す
【向いている用途】
・一定量ずつ輸送したい場合
・バッチ処理が必要な工程

ロータリーバルブ式(連続輸送)

①ブロワー動作により、タンクまで粉体が搬送される
②タンク下部に取り付けられたロータリーバルブにより、連続的に排出
【向いている用途】
・連続的に輸送したい場合
・生産ラインでの連続稼働

エアレスホッパーローダーとの使い分け

どちらの輸送機を選べばいいか、迷ったらご相談ください

パワフルサイクロンローダー エアレスホッパーローダー
向いている粉体 微粉末、ほわほわの細かい粉体 一般的な粉体・粒体、粘りのある粉体
輸送方向 真上への輸送に強い 水平、垂直、曲線に対応
輸送距離 長距離対応可能 中・短距離向き
輸送方式 空気輸送(エアー使用) メカニカル輸送(空気不要)
フィルター あり(自動洗浄機構付き) なし
粉塵 フィルターで捕集 密閉式で発生なし
安定性 距離により変動 輸送距離に関わらず安定
代表的な用途 トナー、活性炭、微粉末 食塩、砂糖、スパイス、樹脂ペレット、粘りのある粉体

【参考】パワフルサイクロンローダーがおすすめの場合

  • エアレスでは制限がある微粉末を輸送したい
  • 真上に持っていく場合
  • エアレスだと対応できない本当に細かい粉体(ほわほわの粉体)
  • エア輸送を使いたいというお客様